光電開關是通過把光強度的變化轉換成電信號的變化來實現控制的。凱基特光電開關產品種類齊全,漫反射式,鏡反射式,對射式,圓柱形,方形,槽型,繼電器輸出等。凱基特標準型光電開關產品種類齊全,漫反射式

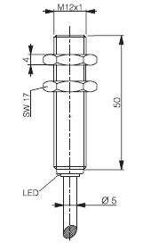
| 產品型號 | KJT-FJ12 | ||
| 反射方式 | 漫反射式 | ||
| 檢測距離Sn: | 0.1 | ||
| 距離公差 | <10%(Sr) | ||
| 外殼材質 | 銅鍍鎳或塑料 | ||
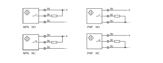
| 工作電壓 | 10-30VDC | ||
| 連波 | ≤10% | ||
| 開關遲滯 | <15% | ||
| 光源 | 紅外光 (880nm) | ||
| 適合大輸出電流 | 200mA | ||
| 無負載電流 | ≤30mA | ||
| 電壓降 | ≤2.5V | ||
| 靈敏度調節 | Trimmer 1tum | ||
| 響應時間 | <5ms | ||
| 短路保護 | Yes | ||
| 上電保護 | Yes | ||
| 工作溫度 | -25°C- 55°C | ||
| 環境濕度 | 35 to 85% RH | ||
| 適合大強光 | ≤10.000Lux | ||
| 防護等級 | IP66 | ||





