KJT-U12 超聲波傳感器 20-150mm
- ●:緊湊構型方便設備集成
- ●:可通過多種參數設置方法和可調靈敏度靈活匹配至應用要求
- ●:同步和多路工作方式可避免傳感器相互影響,確保測量結果可靠
- ●:可通過傳感器同步進行低成本的區域監控
- ●:可通過顯示屏的離線傳感器參數設置進行預配置并節省設備調試時間
- ●:內置溫度補償實現高測量準確度
超聲波傳感器利用聲波特性,提供一種無接觸的、精確的檢測物體狀態和距離的檢測方案。通過發射頻率很高的機械聲波,傳感器收到遇到物體反射回來的聲波,經過計算發射和接收聲波之間的時間或能量,得到目標物的精確距離或狀態。超聲波傳感器不同于普通的接近開關和光電傳感器。相比電感式或電容式接近開關,它的檢測距離更長,相比光電傳感器,它可以應用在更惡劣的環境中,不受目標物的顏色以及空中灰塵、水霧等影響。適合檢測不同

| 型號 | KJT-U150B |
| 檢測范圍 | 20-150mm |
| 盲區 | 0-20mm |
| 分辨率 | 0.1mm |
| 重復精度 | ±0.15% |
| 精度 | ±1%(內置溫度漂移補償) |
| 響應時間 | 200ms |
| 開關頻率 | 5Hz |
| 開關遲滯 | ±4mm |
| 上電延時 | <500ms |
| 工作電壓 | 10-30V DC, UB≥12V |
| LED紅燈 | 無目標物常亮,學習時無目標閃爍 |
| LED綠燈 | 檢測到目標物常亮,學習時有目標閃爍 |
| 負載阻抗 | I/0~300Ω,U/>1kΩ |
| 過載保護 | 200mA,紅燈綠燈同時閃爍 |
| 空載電流 | ≤30mA |
| 電壓降 | ≤2V |
| 輸入類型 | 帶同步功能和學習功能 |
| 材質 | 銅套鍍鎳,塑料配件,玻璃填充環氧樹脂 |
| 防護等級 | IP67 |
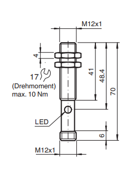
| 連接類型 | 5芯M12連接件 |
| 環境溫度 | -25℃~+70℃(248~343K) |
| 儲存溫度 | -40℃~+85℃(233~358K) |


超聲波傳感器波形圖
1、適用于物體有無檢測,不受物體材質和顏色的影響。
2、超聲波傳感器智能化,簡單設定
3、檢測距離可達200mm。
4、超聲波傳感器靈敏度高,響應數度快。
5、設定簡單,易于設定操作。
6、檢測物料的有無和高度。




